Projetos de Estruturas
Selecione o tipo de projeto
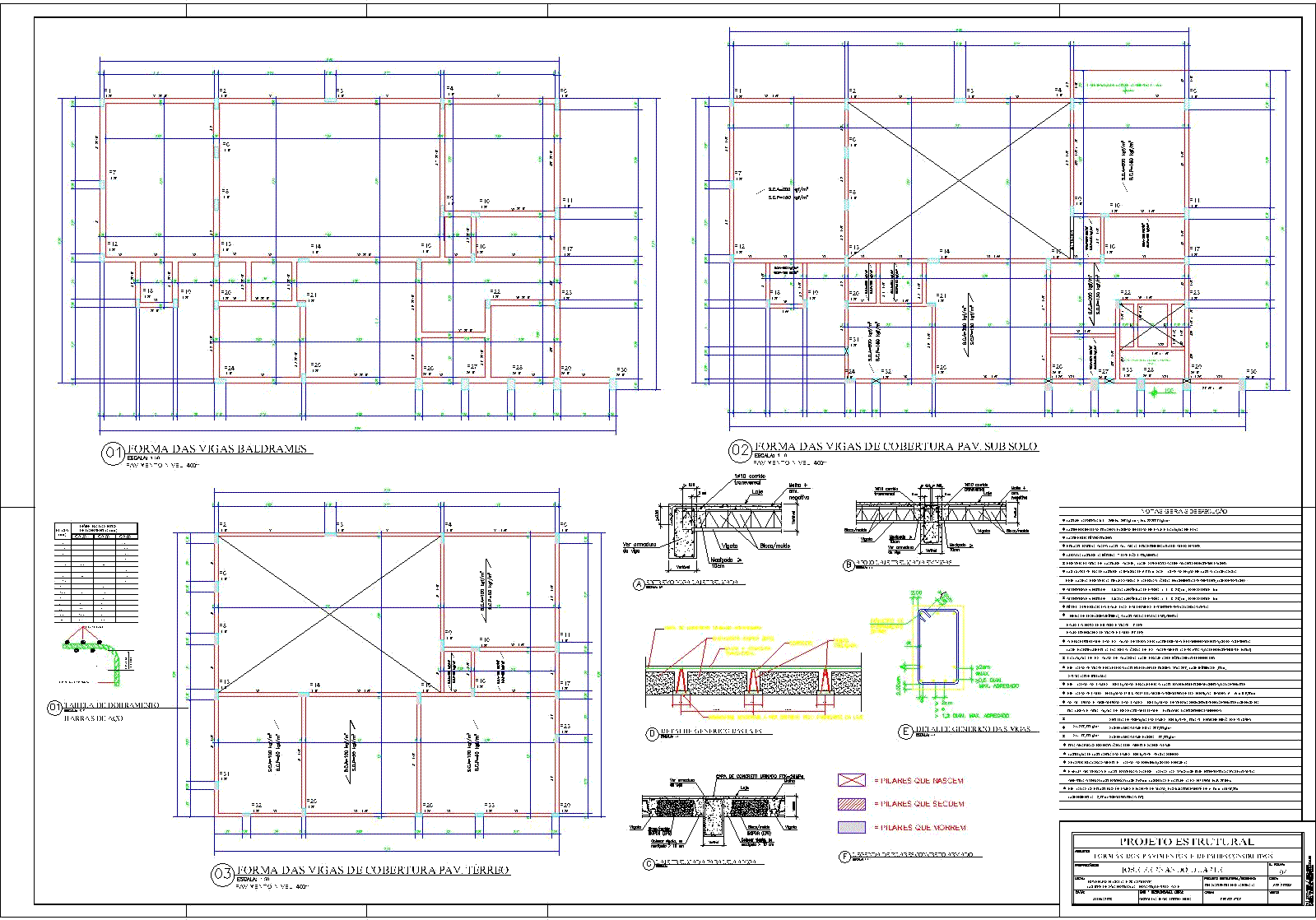
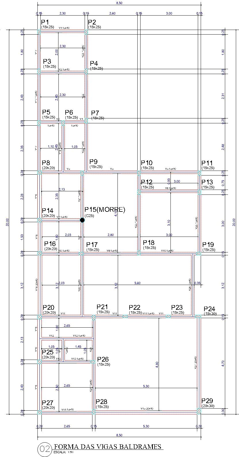
Exemplos de elaboração de pranchas de projetos e detalhes de execução.
prancha de armadura de pilares |
prancha de armadura de vigas |
cortes da estrutura de concreto armado |
detalhe executivo de estaca |
detalhes executivo de vigas/lajes |
prancha de forma e armadura de blocos de fundação |
prancha de forma e armadura de escada |
prancha de forma das vigas baldrame |
pranchas de formas das vigas baldrame/lajes de piso e cobertura |
prancha de forma de laje |
prancha de locação de estacas/blocos/pilares |
prancha de locação de estacas/blocos/pilares |
prancha de forma de alvenaria estrutural |
prancha de forma de lajes |











